返(fan)回
産品詳(xiang)情

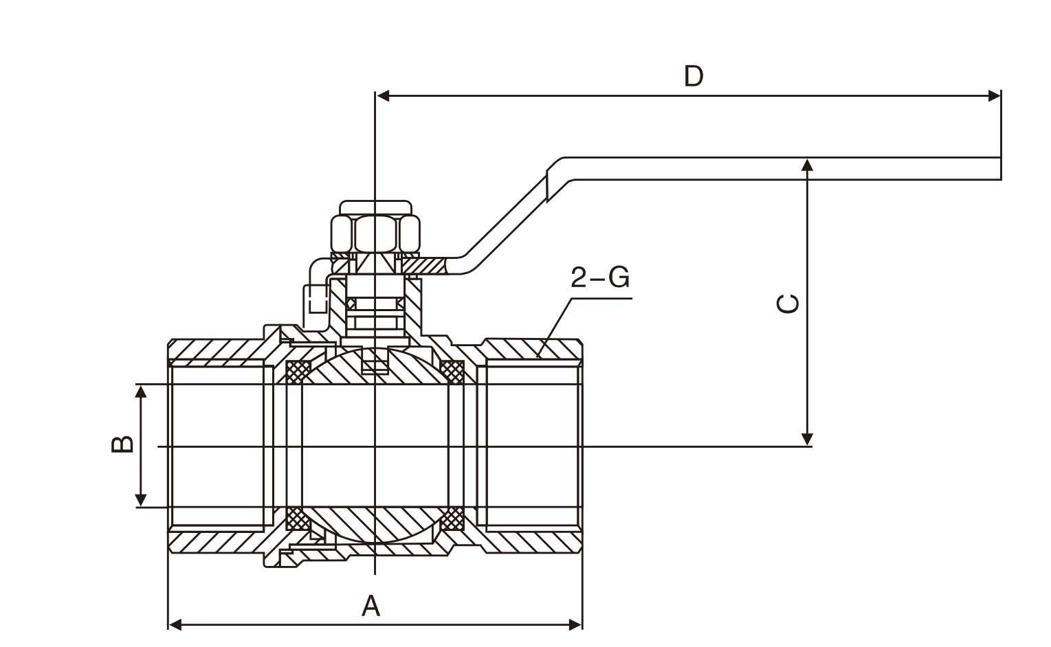
主(zhu)要外形尺(chǐ)寸
DN(mm) | NPS(in) | B | C | D | G | |
15 | 1/2 | 14 | 41 | 98 | 1/2 | |
20 | 3/4 | 63 | 19 | 98 | 3/4 | |
25 | 1 | 72 | 23.5 | 1 | ||
32 | 11/4 | 30 | 61 | 140 | ||
40 | 11/2 | 90.6 | 37 | 66 | 140 | 11/2 |
50 | 2 | 106 | 46.5 | 75 | 155 | |
65 | 21/2 | 132.4 | 92 | 190 | 21/2 | |
80 | 3 | 151 | 230 | 3 | ||
100 | 4 | 190.5 | 117.5 | 230 | 4 |



蘇公(gong)網安備 32010202011315号(hao)