産品(pǐn)型号:D81X
公稱通徑(jing):DN50~DN600(2"~24")
公稱壓力:PN11/30/25
工作(zuo)溫度:0°C~80°C
适用介質(zhi)国产精品第🚩4页🌈:水及泡沫混合(he)液
閥體材質:球(qiú)墨鑄鐵
當前位置(zhì): 首頁 > 産品中心(xīn) > 消防閥門系列(lie)
産品概述
手(shou)柄消防溝槽蝶(die)閥具有安裝快(kuai)速、簡易、安全、可(kě)靠、不受安裝㊙️場(chǎng)🔴地限制、便于管(guǎn)道與閥門的維(wei)修保養,有隔💔振(zhen)隔音與一定的(de)角度範圍内有(you)克服管道連接(jie)不同軸而産生(shēng)仿差,解決溫❄️差(cha)所産生熱脹冷(leng)縮等優點。廣泛(fan)應用于輸送流(liu)體管道的給🚶排(pai)水,消防🐉、空調、燃(ran)氣、石油、化工、水(shuǐ)處理、市政、造船(chuan)💃等管道工程🔞作(zuò)爲控制流體♋作(zuo)用。
産品特點
1、閥(fá)門采用中線型(xíng)密封結構設計(ji),扭矩輕,密封性(xìng)能好;
2、蝶闆、閥杆(gǎn)采用無銷設計(ji)連接,連接可靠(kào)性好;
3、蝶闆整體(ti)采用包膠硫化(huà),耐腐蝕性好;
4、閥(fa)門與管道的連(lián)接采用卡箍連(lián)接形式,安裝方(fang)便、快速🏃🏻♂️;
5、閥門的(de)驅動方式多樣(yang)化,可配置把手(shou)操作、蝸輪蝸杆(gǎn)操作、電動🌐及氣(qi)動操作方式。
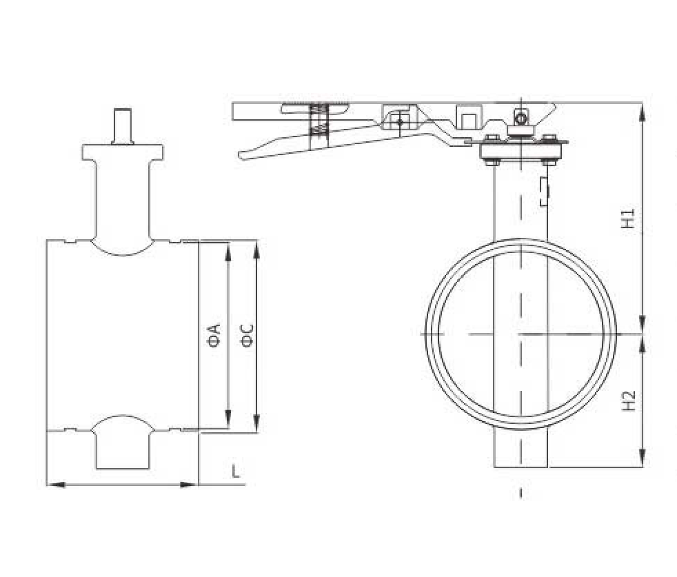
主(zhǔ)要外形連接尺(chi)寸
|
型(xíng)号 |
DN |
Φ A |
Φ C |
L |
H1 |
H2 |
|
ZSDF 8-Q-50-16-D81X |
50 |
57.2 |
60.3 |
88 |
136 |
62 |
|
ZSDF 8-Q-65-16-D81X |
65 |
72.3 |
76.1 |
96 |
142 |
70 |
|
ZSDF 8-Q-80-16-D81X |
80 |
84.9 |
88.9 |
96 |
149 |
79 |
|
ZSDF 8-Q-100-16-D81X |
100 |
110.1 |
114.3 |
115 |
173 |
94 |
|
ZSDF 8-Q-125-16-D81X |
125 |
135.5 |
139.7 |
115 |
187 |
108 |
|
ZSDF 8-Q-150-16-D81X |
150 |
160.8 |
165.1 |
132 |
201 |
117 |
蘇公網安(an)備 32010202011315号
•
· ••·